English
Español
Português
русский
Français
日本語
Deutsch
tiếng Việt
Italiano
Nederlands
ภาษาไทย
Polski
한국어
Svenska
magyar
Malay
বাংলা ভাষার
Dansk
Suomi
हिन्दी
Pilipino
Türkçe
Gaeilge
العربية
Indonesia
Norsk
تمل
český
ελληνικά
український
Javanese
فارسی
தமிழ்
తెలుగు
नेपाली
Burmese
български
ລາວ
Latine
Қазақша
Euskal
Azərbaycan
Slovenský jazyk
Македонски
Lietuvos
Eesti Keel
Română
Slovenski
मराठी
Srpski језик
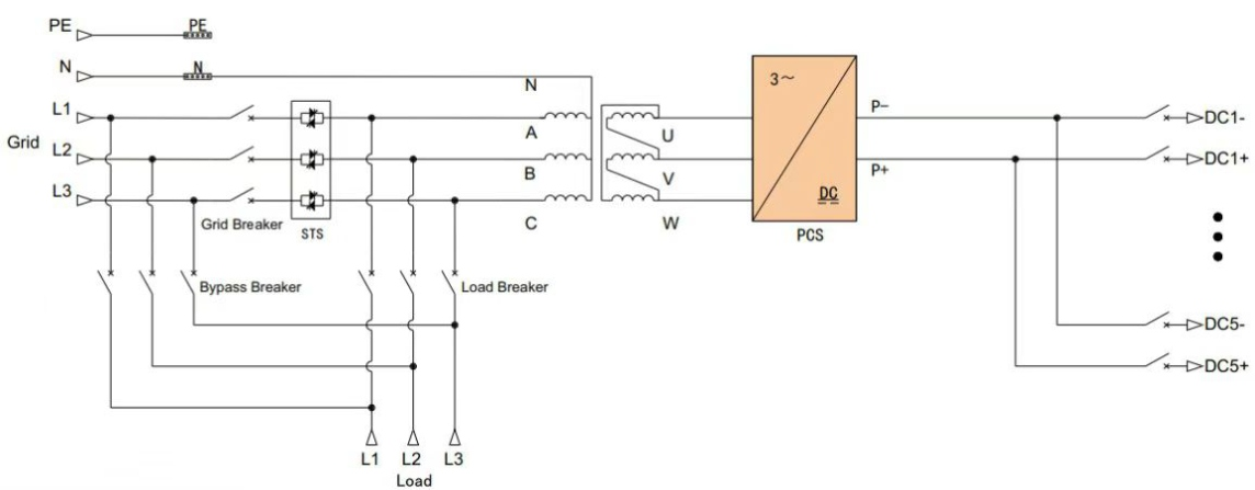
Tính năng sản phẩm
1. Tải trọng vượt quá 500 kW, nên sử dụng biến tần lưu trữ năng lượng đơn bộ công suất lớn 500 kW, có khả năng hỗ trợ tối đa bốn bộ kết nối song song, đạt tổng công suất đầu ra là 2 MW;
2.Khi vận hành song song nhiều hệ thống 500 kW và phân phối STSa trên các bộ biến tần 500 kW khác nhau, điều quan trọng là phải đảm bảo rằng chiều dài cáp từ điểm nối lưới đến điểm nối tải phải nhất quán;
3. ESS lai sử dụng tích hợp quang điện kết hợp DC, đạt hiệu suất chuyển đổi năng lượng cao và được tối ưu hóa cho các kịch bản không nối lưới với công suất phát điện PV vượt quá nhu cầu phụ tải; MPPT được xếp hạng ngoài trời
bộ điều khiển tích hợp các chức năng của bộ kết hợp và MPPT vào một vỏ cứng duy nhất. Hệ thống hoàn chỉnh bao gồm tùy chọn ATS của máy phát điện diesel, biến tần hybrid 300kW, bộ điều khiển PV MPPT và pin
hệ thống lưu trữ năng lượng.


Đặc điểm kỹ thuật
| Người mẫu | P500TS-400-A | |
|
Thông số phía DC |
Dải điện áp | 500-950V |
| Dòng điện tối đa | 1128A | |
| Công suất đầu ra định mức | 500kW | |
|
Thông số phía AC (nối lưới) |
Công suất đầu ra tối đa | 550kW |
| Dòng điện đầu ra định mức | 722A | |
| THDi | <3% | |
| Loại lưới | 3W+N+PE | |
| Dải điện áp | 360VAC~440VAC | |
| Dải tần số | 45~55Hz/55~65Hz | |
| hệ số công suất | -1~1 | |
| Công suất đầu ra định mức | 500kW | |
|
Thông số phía AC (Ngoài lưới) |
Điện áp đầu ra định mức | 400V |
| Tần số đầu ra định mức | 50/60Hz | |
| THDu | <1% Tải tuyến tính, <5% Tải phi tuyến tính | |
| Khả năng quá tải | 110%10 phút | |
| Công tắc bỏ qua bảo trì | 1250A | |
|
Công tắc ngoài lưới và chuyển đổi cấu hình |
Công tắc DC | 1250A |
| Công tắc tải | 1250A | |
| Công tắc lưới | 1250A | |
| đơn vị STS | 1155A/800kW | |
| Chuyển đổi thời gian | <20 mili giây | |
|
Thông số hệ thống |
Hiệu suất cao nhất | 97,5% |
| Nhiệt độ hoạt động | -30~55oC(Giảm trên 40oC) | |
| Độ ẩm tương đối | 0 đến 95%RH,Không ngưng tụ | |
| Kích thước (L * D * H) | 1600×1050×2050mm | |
| Cân nặng | 2700kg | |
| nâng cấp IP | IP21 IP21(Máy hoàn chỉnh) | |
| Tiếng ồn | <70dB | |
| Màn hình hiển thị | LCD | |
| Truyền thông BMS | CÓ THỂ | |
| liên lạc EMS | TCP/IP | |